1 前言
随着城市建设的高速发展,以及城镇化步伐的加快,电梯数量逐年猛增,电梯发生故障溜梯关人的现象时有发生,电梯安全涉及社会民生,电梯的溜梯关人现象是当今老百姓生活中乘坐电梯常常遇到和讨论的话题,电视、报纸等媒体也常常报道某某小区电梯发生溜梯了。本文通过对电梯溜梯现象的种类特点、产生过程、原因进行分析,并通过一些实际的案例来进一步了解清楚电梯的溜梯原因,让从事与电梯工作有关的人员及社会民众对电梯的溜梯关人现象有更为清晰的认识和理解。
2 溜梯现象的种类特点及产生过程
2.1 正常运行时发生故障情况下而进行自我保护的溜梯现象
一般情况下,电梯正常运行过程中,发生故障后,如果控制系统突然检测到有异常信号发生时,电梯将会自动发出立即停止运行的指令,电梯接到停梯指令后,在即将要紧急停止的短暂过程中,势必造成电梯运行速度或加减速度发生变化,同时不会到达目的停靠层站,随着电梯运行速度或加减速度发生变化,此时对轿厢内的乘客来讲会产生一种身体上的失重感,给乘客一种电梯“溜梯”的感觉。如果该故障异常信号,系统能够通过自动重新寻址或自动修正后并消除,电梯将会自动就近平层开门放人;如果故障异常信号无法自动消除,就会造成关人情况,又因救援不及时,导致电梯困人时间较长,这就是媒体中所报道的电梯“溜梯”关人或困人现象。综上所述,从电梯故障异常信号发生到系统发出停梯指令过程中一系列的运行速度或加减速度变化、井道自学习重新寻址修正、不按目的层站停靠造成乘客身体上的失重感现象,就是一般情况下常出现的“溜梯”现象,这种“溜梯”现象是电梯正常运行时发生故障情况下而进行自我保护的溜梯现象,这既是电梯运行出现不正常,也是电梯自身对运行不正常的一种保护。这种溜梯现象的特点表现为:制动器工作正常,不存在制动器制动力矩不够或曳引力不够等原因,电梯在运行过程中突然停梯,经过短时间的滑行后,有时又能自动恢复到正常状态,对乗客造成的伤害或损害不是那么的严重,有时甚至只是虚惊一场,对乗客并没有造成严重伤害,只是心里受到一定程度的惊吓。
2.2严重情况下因制动器或曳引力不够等故障引起电梯失控出现轿厢蹲底或冲顶的溜梯现象
这种溜梯现象一般是指电梯在失去电力驱动和控制的情况下,由于轿厢与对重之间的质量差产生的位势能引起轿厢(或对重)上升或下降的现象。在特殊严重情况下出现的溜梯现象,往往是由于制动器不下闸、制动器制动力矩不够或曳引力不够等原因,引起电梯以一定的速度失控运行,不能正常停靠层站,直到出现轿厢蹲底或冲顶。这种由于在电梯运行过程中或平层停梯时,当发生制动器、曳引力不够等故障原因造成电梯失控较长距离的滑行直至轿厢蹲底或冲顶的溜梯现象甚为严重。这种溜梯现象的特点表现为对乗客的危害性、对电梯本身的破坏性较大,甚至出现生命危险,当电梯失控运行后,如果电梯经过较长滑行距离后其速度超过了安全钳动作速度,可能限速器—安全钳系统能够将电梯制停在导轨上,也可能因安全钳无法制停轿厢;如果电梯速度未超过安全钳动作速度,制动器不下闸或曳引力不够情况下轿厢蹲底或冲顶是必然要发生的。综上所述,当发生轿厢蹲底或冲顶的溜梯现象时,其后果将是比较严重的,一般破坏性极大,属非正常故障的溜梯。
3 发生溜梯的原因
造成电梯“溜梯”现象的原因有很多,从技术层面上分析,主要有以下几个方面:
(1)制动器不抱闸(不下闸)或者抱闸时间滞后。①制动弹簧(臂)机械卡阻;②制动器线圈不能断电;③控制制动器的两个独立电气装置触点粘连;④制动器控制线路设计失误,电动机断电后,制动器不能失电;⑤铁芯有油污发生吸附现象不能释放;⑥制动器接触器有剩磁现象。
(2)制动器下闸但制动力矩不足。①制动器抱闸弹簧锈蚀失去弹性或弹力调整不到位,弹簧过松;②制动轮与闸瓦之间间隙过大;③闸瓦磨损;④制动轮与闸瓦之间接触面积太小;⑤闸瓦摩擦系数太小(磨损、发热烧坏)。
(3)曳引力不足。①曳引轮轮槽磨损严重;②曳引钢丝绳过度润滑,油污严重;③钢丝绳张力不均匀或者曳引绳张力严重不足;④平衡系数K不当或者发生变化,造成对重和轿厢两侧重量不平衡;⑤电梯严重超载(二次装修等引起),且超载保护装置又失效;⑥曳引绳磨损直径减小。
(4)限速器失灵。①限速器电气开关失灵;②限速器机械开关失灵;③限速器的提升拉力不能使安全钳起作用;④限速器实际动作速度超过国家有关标准的规定值;⑤限速器动作机构失灵或动作受阻;⑥轿顶安全钳联动开关失灵。
(5)安全钳失灵。①安全钳契块与导轨侧面间隙过大,造成达不到有效的位置,或两侧安全钳不能同步动作;②安全钳契块动作后与导轨侧面夹制实际摩擦力不能有效制停工作载荷;③安全钳机械上的污垢、锈蚀造成安全钳失效。
(6)其他方面原因。①层门或轿门没调整到位,导致层门或轿门电气联锁装置在电梯运行过程中时通时断;②平层感应器感应不到电梯轿厢的位置,或检测出电梯轿厢的位置与预设位置不符,即出现错层现象等;③电气线路接线端头固定不牢固,特别是主电源和部份电气安全开关的接线端不牢固;④端站保护开关(强迫减速开关、限位及极限开关)失效或感应不到信号,出现冲顶或蹲底;⑤对于观光梯来说,阳光太强烈和光幕很多灰尘脏污等都会影响到光幕保护误动作导致停梯;⑥串行通讯中召唤信号登记板损坏,造成召唤地址冲突,出现电梯混乱停层;⑦变频器故障,变频器接收不到控制柜中I/O板输出的运行信号。
4 溜梯案例分析
4.1 案例分析一:
某公司办公大楼发生一起电梯溜车事故,电梯从1楼上行到站、平层停梯开门之后 , 在乘客走出电梯的同时 , 电梯突然上行溜梯, 造成剪切乘客的伤亡事故。这种溜梯现象就是前面所述的第二种溜梯现象。
(1)事故经过
当时电梯停在1楼 ,甲乙二人相继进入电梯轿厢并登记了8楼 , 电梯到达8楼换速平层停梯开门 ,甲首先走出轿厢 , 前脚刚落到地面 , 就感觉到后脚被抬起 ,这时甲本能地往前紧跑一步 , 再回头一看 , 只见乙被夹在轿厢地坎与8楼层门上门楣之间 ,脸部朝下,轿厢地坎距8楼层门地坎约 1 .5m, 后来通过手动盘车落下轿厢,拉出乙,并将乙送到医院,后经抢救无效死亡。
(2)溜梯原因分析
电梯平层停梯后要发生溜梯必须同时具备以下三个条件 : ① 电梯曳引电机已失电 ;② 制动器线圈未断电 ,制动器不能下闸制动 ;③ 曳引电梯的对重和轿厢两侧重量不平衡。下面分析电梯在8楼平层停梯时是否具备上述溜梯条件。

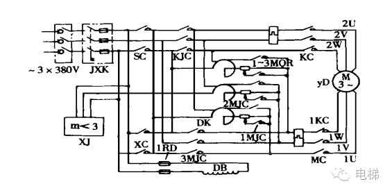
图 1 电梯曳引电机主回路
图 1为该电梯曳引电机的主回路 ,当时电梯的快慢车接触器 KC 和 MC 确已断电。因为电梯已换速 ,快车接触器 KC 失电 ,又因为电梯已平层停梯 ,慢车接触器 MC 也失电 ,KC 和 MC 两个接触器的失电使电机定子绕组已脱离三相交流电源 ,曳引电机已无驱动力矩 ,满足上述溜梯条件 ① 。查验资料发现该电梯的平衡系数 K 为 48%,当时轿厢内未进行过二次装修 ,轿厢内只有乙一个人 ,乙的体重按60kg计算。设对重重量为 P对 ,轿厢自重为 P自 ,额定载重量 1000 kg ,设为Q额,则有 P对= P自+Q额 K = P自+ 480(kg) 。当时轿厢内一个人 ,那么轿厢侧重量为P自+ 60(kg),因此对重一侧比轿厢一侧重了420 kg,两侧重量不平衡满足溜梯条件 ③ 。 在制动器线圈ZXQ的控制回路中(图 2),有两个接触器的触点 , 即上升方向接触器 SC(或下降方向接触器XC)与安全回路接触器 YJ 的触点。KJC和MJC为快慢加速接触器的触点 ,平层停梯时这两个触点全部是闭合的。又因有电阻 EJR,这两个触点是不影响ZXQ的断开和闭合。YJ接触器线圈回路中串接有下列安全触点:TAD(轿厢急停开关)、TAK(底坑急停开关)、TAF(机房急停开关)、AQK(安全钳开关)、DSK(限速器绳张紧开关)、XSK(限速器开关) 、KRJ 与 MRJ(快慢车电机绕组的热继电器触点)、XJ(断错相继电器触点)
图 2 制动器线圈 ZXQ 的控制电路
在正常平层停梯时 ,这些安全触点都是全部闭合的 ,即正常平层停梯时YJ线圈通电,ZXQ 回路中YJ接触器触点闭合,不释放 ,由此可见 ,电梯在正常平层停梯时 ,ZXQ 回路中只有一个断开点 ,即 SC 或 XC 。经检查发现 ,SC 主触点为铜质 ,主触点有烧灼现象,有烧蚀痕迹 ,表面也粗糙不平 ,即有粘连的痕迹现象。拆下接触器SC进行通电试验 ,也发现SC有不能断开现象。正常平层停梯时SC不能断开 ,则 ZXQ 不能断电 ,使制动器不能制动下闸 ,满足上述溜梯条件 ② 。因此 ,该电梯同时具备了上述溜梯原因分析中的三个条件 ,发生电梯溜梯事故是必然的。
综上所述,上升方向接触器SC的主触点发生粘连 ,造成电梯电机断电后制动器不能下闸制动,是发生电梯溜梯事故的直接原因。GB7588 -2003《电梯制造与安装安全规范》第12.4.2.3.1 条规定 ,“切断制动器的电流至少应用两个独立的电气装置来实现 ”。这条规定的目的是为了使电梯正常平层停梯时 ,制动器能可靠制动 ,防止溜梯。 可靠制动的方法是制动器线圈回路中 , 必须有两个独立的断开点 , 并且两个断开点的接触器没有相互控制关系。正常平层停梯时安全回路继电器 YJ 不释放 ,这样在制动器线圈ZXQ回路中,实际上只有一个断开点 SC或 XC,这是不符合 GB7588-2003 的规定的 ,但是该电梯是1999年生产制造的,当时执行的是GB7588-1995旧标准要求,如果该电梯能按照 GB7588-2003 的规定来设计或改造成GB7588-2003 规定“切断制动器的电流至少应用两个独立的电气装置来实现 ”要求,以及维保单位能加强日常维护保养检查和使用单位加强管理, 并及时更换陈旧的制动器电器元件,那么这起溜梯事故将不会发生。因此切断制动器的电流只有一个独立的电气装置来实现和电梯维保单位、使用单位日常维护保养管理不到位以及未及时更换陈旧的电器元件,是发生电梯溜梯事故的间接原因。
(3)预防措施
为了防止这类溜梯事故的再次发生,应注意以下几点:①制动器的电气控制设计应符合GB7588 —2003《电梯制造与安装安全规范》第12.4.2.3.1 条规定要求,按国家相关新的标准对正在使用的电梯进行改造,以达到新标准的要求;②维保单位加强日常维护保养检查,使用单位加强管理和按时申请国家规定的电梯定期检验,尤其要加强对制动器系统及其电气装置元器件的检查,重点在制动器的日常巡检、润滑、调整,修理等环节,检查制动器运转是否正常,有无卡阻、撞击现象,各调整螺母、锁母是否转动,及时更换陈旧老化元器件。对于投入使用后的电梯,应当注意检查电梯制动器松闸和抱闸是否动作灵活、可靠,制动时两侧闸瓦应紧密、均匀地贴合在制动轮工作面上,松闸时制动轮与闸瓦不发生摩擦;同时注意检查制动弹簧是否存在腐蚀、松弛、破损的情况;注意检查电磁线圈接头应无松动情况,线圈外部应有良好的绝缘保护,检查制动器电气装置触点是否烧烛粘连,防止短路。
4.2案例分析二:
轿门关门减速开关失效导致轿门电气联锁装置在电梯运行过程中时通时断,轿门电气门锁动作不可靠,时断时通,引起电梯溜梯,经常关人。
(1)事故经过
某小区电梯正在进行年检时,2号楼1#电梯一个住户在1楼进入轿厢选层登记了15楼,在电梯经过9层与10层中间时,电梯突然减速停车了一下,然后又马上劲直地往下运行,直冲1楼,待轿厢到达首层或者碰下限位开关(如有限位开关)后,电梯又重新恢复正常,乘客受到了一定的惊吓,身体上没有受到伤害。这种溜梯现象就是前面所述的第一种溜梯现象,属于正常运行时发生故障情况下而电梯进行自我保护的溜梯现象。
(2)溜梯原因分析
据小区业主反映说,该电梯溜梯有时候一天甚至会有好几次出现,导致该小区的业主不敢再乘坐电梯,而该小区属于拆迁安置房,电梯楼层有18层站,该楼房交房不到一年,用户入住还不到半年就连续发生这种溜梯事故,引起不小的恐慌,业主和物业与电梯公司产生很大矛盾。

图 3 轿门门锁触点簧片发生变形及固定塑料开裂
检修人员对电梯进行自运行观察,在运行的过程中电梯报轿门减速开关故障,电梯公司在检修情况下再对该电梯进行手动模拟试验,发现该电梯的轿门关门减速开关失效,单纯从关门减速开关失效来讲并不会使电梯停梯,但电梯关门时如果关门减速开关失效会导致冲击力很大,正因为如此,电梯经过多次的关门冲击使得轿门门锁触点弹簧片发生变形,从而使该簧片的弹力变小,致使轿门门锁开关经常容易误动作,经过检查发现,轿门门锁触点固定塑料已经开裂(如图3所示),表明该位置已受到不小的冲击。该案例中,当电梯向上运行经过9层与10层中间时,轿门门锁开关动作导致了电梯短暂停梯,出现错层,停梯后电梯又会进行自我学习重新寻址,电梯通过判断关门是否到位或者重新关门一次后重新得电运行,直到电梯运行到首层或者碰下限位开关(如有限位开关)后恢复正常(有的电梯自学习过程需要继续往上运行到顶层端站或碰到上限位开关)。
综上所述,轿门关门减速开关的失效导致轿门电气联锁装置在电梯运行过程中时通时断,轿门电气门锁动作的不可靠是引起该电梯反复多次溜梯的直接原因;轿门关门减速开关的失效、维修管理不到位是引起该电梯溜梯的间接原因。
(3)预防措施
为了防止这类溜梯事故的再次发生,应注意以下几点:①应注意检查层门或轿门电气联锁装置动作的可靠性。②电梯维保单位、使用单位应加强日常维护保养检查、管理,维保单位、检验机构应注意检查轿门开、关门减速开关以及开、关门到位开关是否有效,对电梯开、关门速度过快、冲击大的就要检查其减速开关是否失效,并检查门锁是否有异常。
5 结束语
对于电梯的溜梯现在在老百姓的生活中已经变成一个热门的话题,随着人们生活质量和维权意识的提高,人们对电梯的故障、事故越来越变得零容忍度,对电梯的不信任危机也在持续增长,电梯已经成为社会舆论持续关注的焦点,溜梯现象是电梯故障、事故中*为常见的一种,而溜梯现象中的开门走梯、冲顶(蹲底)等又是*危险也是*容易发生伤亡事故的情形,应当引起电梯安装、维保、使用人员及检验人员的足够重视。